芯片简介
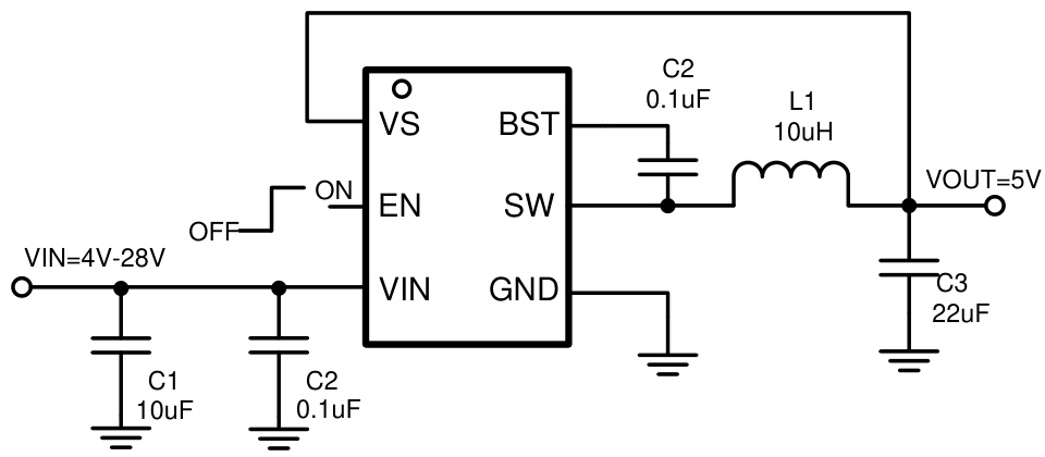
SCT2321是一款3.8V-32V宽输入电压范围的同步降压DCDC转换器,集成130mΩ高边MOSFET和70mΩ低边MOSFET,采用峰值电流模式控制及内部补偿网络以简化外部元件。支持FPWM模式降低轻载输出纹波,具备优化的EMI设计消除高频辐射噪声。集成过压保护、逐周期峰值电流限制、热关断保护(160°C触发),内置4ms软启动时间,适用于家电、监控、音频设备等场景。
芯片特点:
输入3.8V~32V
输出2A
内置MOS
500kHz
使能
软启动

SCT2321是一款3.8V-32V宽输入电压范围的同步降压DCDC转换器,集成130mΩ高边MOSFET和70mΩ低边MOSFET,采用峰值电流模式控制及内部补偿网络以简化外部元件。支持FPWM模式降低轻载输出纹波,具备优化的EMI设计消除高频辐射噪声。集成过压保护、逐周期峰值电流限制、热关断保护(160°C触发),内置4ms软启动时间,适用于家电、监控、音频设备等场景。
| 开源项目名称 | 开源项目介绍 |
|---|---|
| DC-DC降压芯片方案验证板-B版 | 用于验证SCT2339和TPS6226两款DC-DC芯片,也可验证与其引脚兼容的其他型号芯片。 |
描述SCT2321是一款2A同步降压DC-DC转换器,支持3.8V至32V的宽输入电压范围。它集成了130mΩ高侧MOSFET和70mΩ低侧MOSFET,采用峰值电流模式控制,具有EMI降低功能。SCT2321支持强制脉冲宽度调制(FPWM)模式,以实现轻载条件下的小输出纹波。该器件还提供过压保护、逐周期峰值电流限制和热关断保护。
3000个/圆盘
总额¥0
近期成交39单