芯片简介
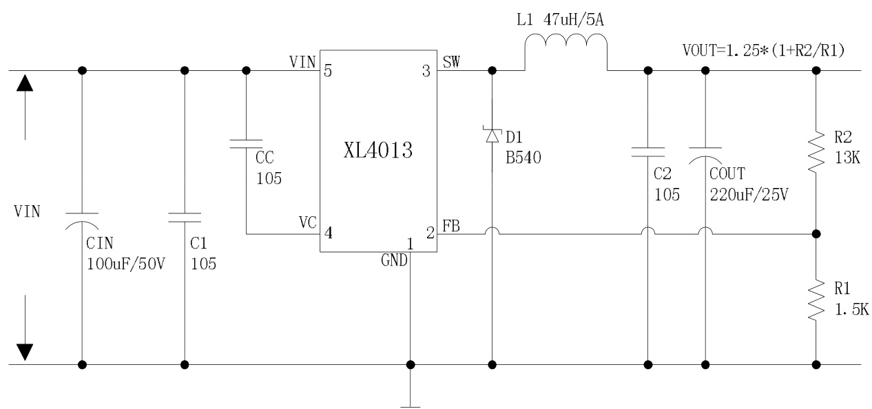
XL4013是一款180KHz固定频率PWM降压型DC/DC转换器,输入电压范围8V至36V,可驱动4A负载并实现高效能、低纹波输出。内置优化功率MOSFET,具备过流保护、热关断及短路保护功能,采用最小外部元件设计,集成频率补偿和固定频率振荡器。
芯片特点:
输入8V~36V
输出4A
内置MOS
180KHz
使能
软启动
工业品
XL4013是一款180KHz固定频率PWM降压型DC/DC转换器,输入电压范围8V至36V,可驱动4A负载并实现高效能、低纹波输出。内置优化功率MOSFET,具备过流保护、热关断及短路保护功能,采用最小外部元件设计,集成频率补偿和固定频率振荡器。
描述DCDC降压,电源输入30V以上,3A以上(大电流)方案,XL4013是一款180KHz固定频率的PWM降压DC-DC转换器,输入电压范围为8V到36V,输出电压可调范围为1.25V到32V,最大输出电流为4A。该器件具有高效率、低纹波和优良的线路及负载调节性能,内置过温保护、过流保护和短路保护功能。
RoHSSMT扩展库
2500个/圆盘
总额¥0
近期成交90单