芯片简介
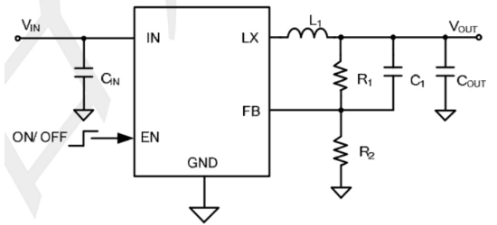
RT8059GJ5-TP是一款集成内部开关的低压差同步降压稳压器,输入电压范围2.5V至5.5V,提供1A连续负载电流。采用0.6V基准电压和即时PWM架构实现快速瞬态响应,包含逐周期峰值电流限制功能。内部软启动抑制浪涌电流,采用1.5MHz固定开关频率,效率高达95%。器件集成低导通电阻的顶部/底部MOSFET(300mΩ/200mΩ),符合RoHS和无卤标准。
芯片特点:
输入2.5V~5.5V
输出1A
内置MOS
1.5MHz
使能
软启动

RT8059GJ5-TP是一款集成内部开关的低压差同步降压稳压器,输入电压范围2.5V至5.5V,提供1A连续负载电流。采用0.6V基准电压和即时PWM架构实现快速瞬态响应,包含逐周期峰值电流限制功能。内部软启动抑制浪涌电流,采用1.5MHz固定开关频率,效率高达95%。器件集成低导通电阻的顶部/底部MOSFET(300mΩ/200mΩ),符合RoHS和无卤标准。
描述RT8059GJ5-TP 是一款高效率的1.5MHz 1A同步降压调节器,支持2.5V到5.5V的输入电压范围,具有1A连续负载电流能力,内置低RDS(ON)开关,固定1.5MHz开关频率,适用于网络设备、IP摄像头、LCD电视、DSL调制解调器、接入点路由器、数字电视和机顶盒等应用。
3000个/圆盘
总额¥0
近期成交18单