芯片简介
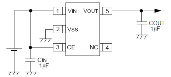
ME6215C30M5G是一款高精度、低功耗的线性稳压器,采用CMOS和激光微调技术,提供大电流输出且具有极低压差。芯片内置误差放大器、基准电压源、功率晶体管和保护电路,具备±2%的输出电压精度,输入电压可达18V,输出电流300mA,静态电流低至6μA。CE引脚实现开关控制,支持短路保护和限流折返功能,适用于存储设备、通信工具和便携式电子产品。
芯片特点:
输入18V
输出300mA
精度±2%
功耗:250mW
输出3.0V
使能
工业品
ME6215C30M5G是一款高精度、低功耗的线性稳压器,采用CMOS和激光微调技术,提供大电流输出且具有极低压差。芯片内置误差放大器、基准电压源、功率晶体管和保护电路,具备±2%的输出电压精度,输入电压可达18V,输出电流300mA,静态电流低至6μA。CE引脚实现开关控制,支持短路保护和限流折返功能,适用于存储设备、通信工具和便携式电子产品。
| 开源项目名称 | 开源项目介绍 |
|---|---|
| C2842719-LDO方案验证板(A版) | LDO验证板A版:3款SOT-23-3、3款SOT-89-3、2款SOT-23-5、2款SOT-23-6、2款SOT-223。 |
描述ME6215系列是采用CMOS和激光微调技术制造的高精度、低功耗、高电压正电压调节器。该系列能以极低的压降提供大电流。限流电路的折返电路还可作为输出限流和输出引脚的短路保护
SMT扩展库
3000个/圆盘
总额¥0
近期成交9单