芯片简介
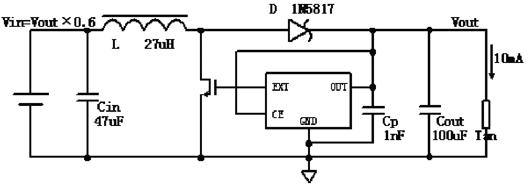
BL8531C系列为PFM升压DC/DC控制器,具有低静态电流(6μA)和高输出电压精度(±2%)。需外部NMOSFET或NPN晶体管、电感、肖特基二极管及滤波电容。集成参考电路、振荡器、PFM控制电路及驱动晶体管,支持高效率(90%)和宽输入电压范围。适用于便携设备、LED驱动及单/双电池供电系统。

BL8531C系列为PFM升压DC/DC控制器,具有低静态电流(6μA)和高输出电压精度(±2%)。需外部NMOSFET或NPN晶体管、电感、肖特基二极管及滤波电容。集成参考电路、振荡器、PFM控制电路及驱动晶体管,支持高效率(90%)和宽输入电压范围。适用于便携设备、LED驱动及单/双电池供电系统。
| 规格书 | ||
描述BL8531C系列是基于CMOS的PFM升压型DCDC控制器,具有低电源电流和高输出电压精度的特点。从电源汲取的静态电流低至6μA。在输入电压为2V、输出电压为4.0V的情况下,它能够提供500mA的输出电流
1000个/圆盘
总额¥0
近期成交2单
描述BL8531系列是基于CMOS的PFM升压型DC - DC转换器。该转换器可在低至0.8V的电源电压下启动,当输入电压为1.8V、输出电压为3.3V时,能够提供最大200mA的输出电流。从电源汲取的静态电流低至5.5μA
SMT扩展库
3000个/圆盘
总额¥0
近期成交5单
描述低至0.8V输入 450KHz 输出300mA 4uA静态电流
SMT扩展库
3000个/圆盘
总额¥0
近期成交4单
描述BL8531C系列是基于CMOS的PFM升压型DCDC控制器,具有低电源电流和高输出电压精度的特点。从电源汲取的静态电流低至6μA。在输入电压为2V、输出电压为4.0V的情况下,它能够提供500mA的输出电流
SMT扩展库
3000个/圆盘
总额¥0
描述BL8531系列是基于CMOS的PFM升压型DCDC转换器。该转换器能在低至0.8V的电源电压下启动,在输入电压为1.8V、输出电压为3.3V时,最大能提供200mA的输出电流。从电源汲取的静态电流低至5.5μA
3000个/圆盘
总额¥0
近期成交1单
描述BL8531系列是基于CMOS的PFM升压型DC - DC转换器。该转换器可在低至0.8V的电源电压下启动,当输入电压为1.8V、输出电压为3.3V时,能够提供最大200mA的输出电流。从电源汲取的静态电流低至5.5μA
SMT扩展库
3000个/圆盘
总额¥0
近期成交4单
描述BL8531系列是基于CMOS的PFM升压型DC - DC转换器。该转换器可在低至0.8V的电源电压下启动,当输入电压为1.8V、输出电压为3.3V时,能够提供最大200mA的输出电流。从电源汲取的静态电流低至5.5μA
SMT扩展库
3000个/圆盘
总额¥0
近期成交8单
描述BL8531C系列是基于CMOS的PFM升压型DCDC控制器,具有低电源电流和高输出电压精度的特点。从电源汲取的静态电流低至6μA。在输入电压为2V、输出电压为4.0V的情况下,它能够提供500mA的输出电流
SMT扩展库
3000个/圆盘
总额¥0
近期成交2单
描述低至0.8V输入 450KHz 输出300mA 4uA静态电流
SMT扩展库
1000个/圆盘
总额¥0
近期成交1单
描述BL8531系列是基于CMOS的PFM升压型DCDC转换器。该转换器能在低至0.8V的电源电压下启动,在输入电压为1.8V、输出电压为3.3V时,最大能提供200mA的输出电流。从电源汲取的静态电流低至5.5μA
SMT扩展库
1000个/圆盘
总额¥0
描述低至0.8V输入 450KHz 输出300mA 4uA静态电流 输出5V
1000个/圆盘
总额¥0
近期成交11单
描述BL8531系列是基于CMOS的PFM升压型DC - DC转换器。该转换器可在低至0.8V的电源电压下启动,当输入电压为1.8V、输出电压为3.3V时,能够提供最大200mA的输出电流。从电源汲取的静态电流低至5.5μA
SMT扩展库
1000个/圆盘
总额¥0
近期成交5单
描述BL8531C系列是基于CMOS的PFM升压型DCDC控制器,具有低电源电流和高输出电压精度的特点。从电源汲取的静态电流低至6μA。在输入电压为2V、输出电压为4.0V的情况下,它能够提供500mA的输出电流
SMT扩展库
3000个/圆盘
总额¥0
近期成交3单