芯片简介
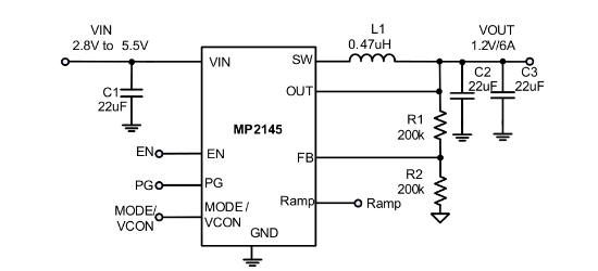
MP2145是一款单片式降压开关转换器,内置功率MOSFET,支持2.8V至5.5V输入电压范围,可提供高达6A连续输出电流,输出电压最低可调至0.6V。采用恒定导通时间控制,具有快速瞬态响应和简化的环路稳定性设计。集成过流保护、短路保护(打嗝模式)、热关断及软启动功能,工作频率固定为1.2MHz,反馈精度达1%。内部结构包括控制电路、高低侧MOSFET开关及保护模块,适用于存储设备、高性能DSP和FPGA等分布式电源系统。
芯片特点:
输入2.8V~5.5V
输出6A
内置MOS
1.2MHz
使能
软启动




