芯片简介
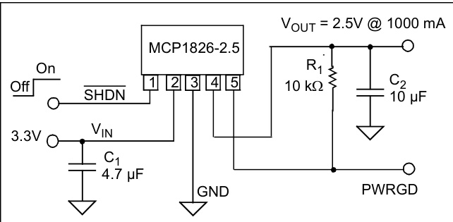
MCP1826/MCP1826S是一款1000mA低静态电流LDO稳压器,输入电压范围2.3V-6.0V,支持陶瓷电容稳定输出。采用CMOS结构,静态电流典型值120μA,具有±0.5%输出电压精度、短路保护、过热保护及PowerGood功能。内部由误差放大器、基准电压源、功率晶体管和保护电路组成,适用于高电流需求的低压应用。
芯片特点:
输入6.0V
输出1A
精度±0.5%/±2.5%
功耗:220μA
输出3.3V
使能

MCP1826/MCP1826S是一款1000mA低静态电流LDO稳压器,输入电压范围2.3V-6.0V,支持陶瓷电容稳定输出。采用CMOS结构,静态电流典型值120μA,具有±0.5%输出电压精度、短路保护、过热保护及PowerGood功能。内部由误差放大器、基准电压源、功率晶体管和保护电路组成,适用于高电流需求的低压应用。
| 开源项目名称 | 开源项目介绍 |
|---|---|
| C2842719-LDO方案验证板(A版) | LDO验证板A版:3款SOT-23-3、3款SOT-89-3、2款SOT-23-5、2款SOT-23-6、2款SOT-223。 |
描述是一款1000 mA低压差(LDO)线性稳压器,可提供高电流和低输出电压。输出电压范围为0.8V至5.0V。1000 mA输出电流能力与低输出电压能力相结合,使其成为具有高电流需求的新亚1.8V输出电压LDO应用的理想选择。使用陶瓷输出电容稳定,该电容固有地提供较低的输出噪声,并降低整个稳压器解决方案的尺寸和成本
RoHSSMT扩展库
4000个/圆盘
总额¥0
近期成交2单