芯片简介
LR7533-M是一款基于CMOS工艺实现的低功耗高压稳压器,具有低压差和低静态电流特性,支持24V输入电压和3.3V固定输出电压。芯片内置过流保护电路,提供±2%的输出电压精度,静态电流典型值为1.8μA,适用于电池供电设备和通信系统。
芯片特点:
输入24V
输出100mA
精度±2%
功耗:500mW
输出3.3V

LR7533-M是一款基于CMOS工艺实现的低功耗高压稳压器,具有低压差和低静态电流特性,支持24V输入电压和3.3V固定输出电压。芯片内置过流保护电路,提供±2%的输出电压精度,静态电流典型值为1.8μA,适用于电池供电设备和通信系统。
| 开源项目名称 | 开源项目介绍 |
|---|---|
| C2842719-LDO方案验证板(A版) | LDO验证板A版:3款SOT-23-3、3款SOT-89-3、2款SOT-23-5、2款SOT-23-6、2款SOT-223。 |
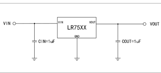
描述LR75XX 系列是一款基于CMOS工艺实现的低功耗高压稳压器,具有低压差和低静态电流的良好特性。该系列芯片允许输入电压高达24V,且可输出2.7V~5.0V范围内的几个固定电压。芯片内置过流保护电路,可确保工作安全和使用寿命。
RoHSSMT扩展库
1000个/圆盘
总额¥0
近期成交3单