芯片简介
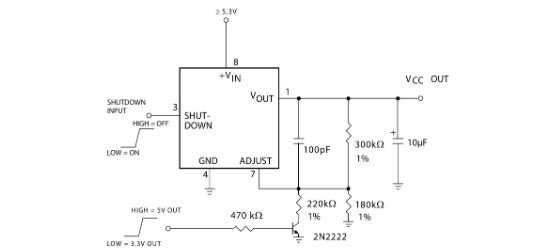
MIC2920A系列是高效、高精度的低差压线性稳压器,提供400mA输出电流,具备低静态电流和低压差特性。支持-20V反向电压和60V瞬态输入保护,内置误差放大器、基准电压源、功率晶体管及保护电路,提供逻辑控制关机功能、错误标志输出,适用于汽车电子和电池供电设备。
芯片特点:
输入26V
输出400mA
精度±2.5%
输出3.3V
使能

MIC2920A系列是高效、高精度的低差压线性稳压器,提供400mA输出电流,具备低静态电流和低压差特性。支持-20V反向电压和60V瞬态输入保护,内置误差放大器、基准电压源、功率晶体管及保护电路,提供逻辑控制关机功能、错误标志输出,适用于汽车电子和电池供电设备。
| 开源项目名称 | 开源项目介绍 |
|---|---|
| C2842719-LDO方案验证板(A版) | LDO验证板A版:3款SOT-23-3、3款SOT-89-3、2款SOT-23-5、2款SOT-23-6、2款SOT-223。 |
总额¥0