芯片简介
AP2121系列是高速、极低噪声的LDO稳压器,采用CMOS工艺制造,包含电压参考源、误差放大器、电阻网络、限流电路和使能电路。特性包括高电源抑制比、低压差、低静态电流、极低噪声、高输出精度,兼容低ESR陶瓷电容。
芯片特点:
输入6V
输出300mA
精度±2%
功耗:25μA
输出3.3V
使能

AP2121系列是高速、极低噪声的LDO稳压器,采用CMOS工艺制造,包含电压参考源、误差放大器、电阻网络、限流电路和使能电路。特性包括高电源抑制比、低压差、低静态电流、极低噪声、高输出精度,兼容低ESR陶瓷电容。
| 开源项目名称 | 开源项目介绍 |
|---|---|
| C2842719-LDO方案验证板(A版) | LDO验证板A版:3款SOT-23-3、3款SOT-89-3、2款SOT-23-5、2款SOT-23-6、2款SOT-223。 |
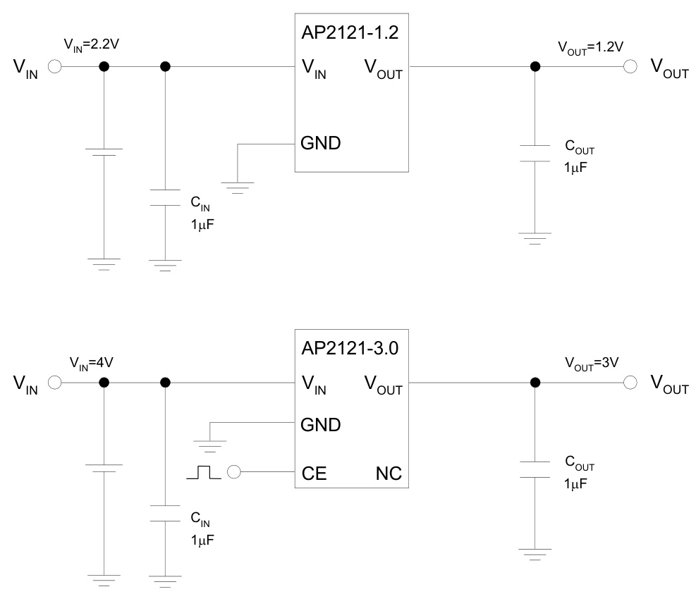
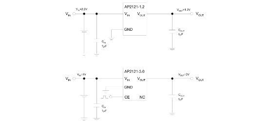
描述由CMOS工艺制造的正电压调节器IC。每个IC由电压基准、误差放大器、用于设置输出电压的电阻网络、用于电流保护的限流电路和芯片使能电路(仅5引脚产品)组成。具有高电源电压纹波抑制、低压差、低噪声、高输出电压精度和低电流消耗的特点,适用于各种电池供电设备。有1.2V、1.3V、1.5V、1.8V、2.5V、2.8V、2.85V、3.0V、3.2V和3.3V版本。采用标准SOT-23-3、SOT-23-5和CSP-4封装。
RoHSSMT扩展库
3000个/圆盘
总额¥0
近期成交22单