芯片简介
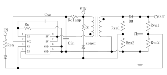
MST2218KC为升压变压器控制器,用于构建电容放电点火器。集成100VMOSFET,支持宽输入电压及准共振模式工作。内置限流电路、电压反馈、VCC钳位电路,提供变压器饱和保护、热保护和欠压锁定功能。所有输入端口配备钳位二极管和ESD保护,确保可靠性。
芯片特点:
输入4.5V~14V
内置MOS
100kHz

MST2218KC为升压变压器控制器,用于构建电容放电点火器。集成100VMOSFET,支持宽输入电压及准共振模式工作。内置限流电路、电压反馈、VCC钳位电路,提供变压器饱和保护、热保护和欠压锁定功能。所有输入端口配备钳位二极管和ESD保护,确保可靠性。
描述MST2218 是一款升压变压器控制器,专为构建电容器放电点火器设计。该器件集成了100V MOSFET,可以控制升压变压器对电容器充电至可调高压(DC)。MST2218 还集成了电流限制电路、电压反馈和零交叉比较器等功能,确保在准共振模式下快速充电,同时减少升压变压器的空间占用。所有输入端口都具有箝位二极管和ESD保护,确保现场使用的鲁棒性和可靠性。
SMT扩展库
2500个/圆盘
总额¥0
近期成交2单