芯片简介
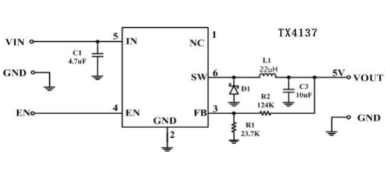
TX4137是一款内置功率MOSFET的降压型开关转换器,输入电压范围5.5-60V,峰值输出电流0.6A,采用PWM电流模工作模式,具有逐周期电流限制和热关断保护功能。集成0.6ms软启动机制,支持低ESR陶瓷电容输出稳定,典型效率达90%。内部结构包含控制电路、驱动电路及保护电路,适用于宽压输入场景。
芯片特点:
输入5.5V~60V
输出0.6A
内置MOS
1MHz
使能
软启动

TX4137是一款内置功率MOSFET的降压型开关转换器,输入电压范围5.5-60V,峰值输出电流0.6A,采用PWM电流模工作模式,具有逐周期电流限制和热关断保护功能。集成0.6ms软启动机制,支持低ESR陶瓷电容输出稳定,典型效率达90%。内部结构包含控制电路、驱动电路及保护电路,适用于宽压输入场景。
| 开源项目名称 | 开源项目介绍 |
|---|---|
| DC-DC降压芯片方案验证板-A版 | 该方案验证版,主要用于测试市面上常见的SOT-23封装的降压型DC/DC芯片,板子上目前集成了三种引脚排序。 |
描述TX4137是一款内置功率MOSFET的单片降压型开关模式转换器。它在5.5-60V宽输入电源范围内实现0.6 A峰值输出电流,并具有出色的线电压和负载调整率。TX4137采用PWM电流模工作模式,环路易于稳定并提供快速的瞬态响应。TX4137集成了包括逐周期电流限制和热关断等保护功能。TX4137采用SOT23-6封装,且外围元器件少。
RoHSSMT扩展库
3000个/圆盘
总额¥0
近期成交100单+