芯片简介
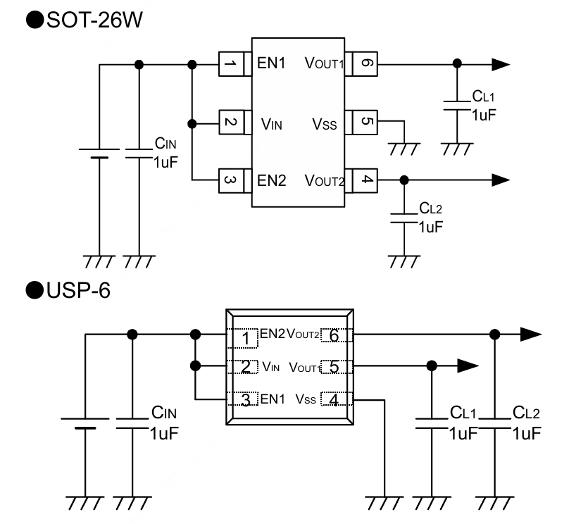
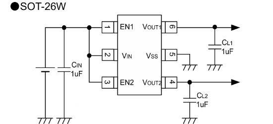
XC6401系列是高精度双通道低噪声CMOSLDO稳压器,包含参考电压源、误差放大器、驱动晶体管、电流限制器和相位补偿器。特性包括快速启动、独立使能控制、低待机电流、高纹波抑制比,支持宽输出电压范围和低ESR陶瓷电容,适用于负载波动频繁的场景。
芯片特点:
输入6.5V
输出150mA
精度±2%/±30mV
功耗:25μA
输出0.8V~5.0V
使能

XC6401系列是高精度双通道低噪声CMOSLDO稳压器,包含参考电压源、误差放大器、驱动晶体管、电流限制器和相位补偿器。特性包括快速启动、独立使能控制、低待机电流、高纹波抑制比,支持宽输出电压范围和低ESR陶瓷电容,适用于负载波动频繁的场景。
| 开源项目名称 | 开源项目介绍 |
|---|---|
| C2842719-LDO方案验证板(A版) | LDO验证板A版:3款SOT-23-3、3款SOT-89-3、2款SOT-23-5、2款SOT-23-6、2款SOT-223。 |
SMT扩展库
3000个/圆盘
总额¥0