芯片简介
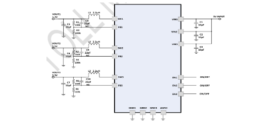
TMI7003是一款3通道高效同步降压电源管理芯片,输入电压范围2.7V-5.5V,单通道最大输出电流2A,集成低阻抗MOSFET,效率超过92%。内置软启动、输入欠压/过压保护、热故障保护及过流保护功能,采用固定1MHz开关频率,支持独立使能控制。
芯片特点:
输入2.7V~5.5V
输出2A
内置MOS
1MHz
使能
软启动

TMI7003是一款3通道高效同步降压电源管理芯片,输入电压范围2.7V-5.5V,单通道最大输出电流2A,集成低阻抗MOSFET,效率超过92%。内置软启动、输入欠压/过压保护、热故障保护及过流保护功能,采用固定1MHz开关频率,支持独立使能控制。
描述TMI7003是一款高度集成的电源管理IC,设计用于消费和多媒体应用中的低功耗需求。它集成了3个同步降压转换器,每个通道的最大连续负载电流为2A。输入电压范围为2.7V至5.5V,输出电压可低至0.6V。该器件支持100%占空比操作,具有高效率同步模式操作和内部软启动电路。此外,还具备欠压锁定、过压保护、过流保护和热关断等功能。
RoHSSMT扩展库
3000个/圆盘
总额¥0
近期成交2单