芯片简介
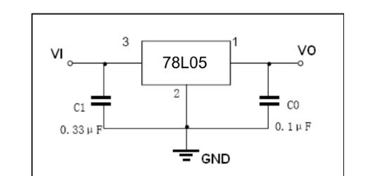
78L05为三端正电压稳压器,提供固定5V输出电压,具有内部短路电流限制和热过载保护功能,无需外部元件且支持低噪声输出。其互补负压调节器型号为79L05。
芯片特点:
输入30V
输出0.1A
精度±5%
功耗:500mW
输出5V
工业品
78L05为三端正电压稳压器,提供固定5V输出电压,具有内部短路电流限制和热过载保护功能,无需外部元件且支持低噪声输出。其互补负压调节器型号为79L05。
| 开源项目名称 | 开源项目介绍 |
|---|---|
| C2842719-LDO方案验证板(A版) | LDO验证板A版:3款SOT-23-3、3款SOT-89-3、2款SOT-23-5、2款SOT-23-6、2款SOT-223。 |
描述特性:宽范围的固定输出电压。 低成本。 内部短路电流限制。 内部热过载保护。 无需外部组件。 提供互补负调节器(79L05)
RoHSSMT扩展库
1000个/圆盘
总额¥0
近期成交49单