芯片简介
XL4005E1是一款300KHz固定频率PWM降压DC/DC转换器,支持5A输出电流,具有宽输入电压范围(5V~32V)和可调输出电压(0.8V~30V)。内置优化功率MOSFET,提供高效率、低纹波及优异的线路/负载调节性能。集成使能控制、过流保护、短路保护及热关断功能,采用最小化外部元件设计,包含内部频率补偿和固定频率振荡器。
芯片特点:
输入5V~32V
输出5A
内置MOS
300KHz
使能

XL4005E1是一款300KHz固定频率PWM降压DC/DC转换器,支持5A输出电流,具有宽输入电压范围(5V~32V)和可调输出电压(0.8V~30V)。内置优化功率MOSFET,提供高效率、低纹波及优异的线路/负载调节性能。集成使能控制、过流保护、短路保护及热关断功能,采用最小化外部元件设计,包含内部频率补偿和固定频率振荡器。
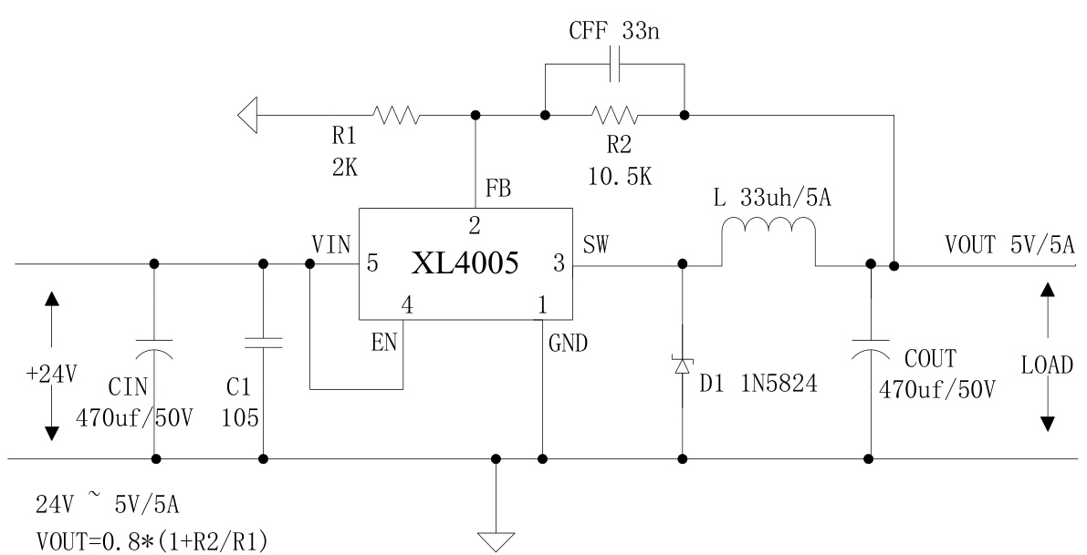
描述DCDC降压,电源输入30V以上,3A以上(大电流)方案,XL4005是一款300KHz固定频率的PWM降压型DC/DC转换器,输入电压范围为5V至32V,输出电压可调范围为0.8V至30V,最大输出电流为5A。该器件具有高效率、低纹波和优秀的线性和负载调节性能。内置优化的功率MOSFET,支持TTL关断功能,具有过流保护和短路保护功能。
RoHSSMT扩展库
800个/圆盘
总额¥0
近期成交100单+