芯片简介
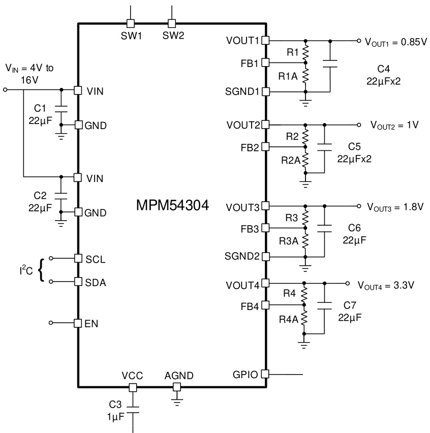
MPM54304是一款四路输出DC/DC降压电源模块,支持4V-16V宽输入电压范围,输出电压可通过I²C或外部分压电阻调节(0.55V-7V)。采用恒定导通时间(COT)控制架构实现快速瞬态响应,集成内部自动补偿功能。模块支持通道并联配置(通道1+2最大6A,通道3+4最大4A),提供可编程非易失存储器、多功能GPIO引脚及多相位同步功能,具备过压/过流保护、热关断及预偏置启动机制。
芯片特点:
输入4V~16V
输出单通道3A
内置MOS
800kHz
使能
软启动
四路输出
模块化设计





