芯片简介
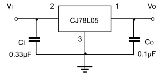
CJ78L05是一款三端正电压稳压器,最大输出电流0.1A,输出电压5V,总功耗0.25W。具有低输出噪声电压和良好的纹波抑制特性。
芯片特点:
输入30V
输出0.1A
精度±4%
功耗:0.25W
输出5V

CJ78L05是一款三端正电压稳压器,最大输出电流0.1A,输出电压5V,总功耗0.25W。具有低输出噪声电压和良好的纹波抑制特性。
| 开源项目名称 | 开源项目介绍 |
|---|---|
| C2842719-LDO方案验证板(A版) | LDO验证板A版:3款SOT-23-3、3款SOT-89-3、2款SOT-23-5、2款SOT-23-6、2款SOT-223。 |
描述特性:最大输出电流Io:0.1A。 输出电压Vo:5V。 连续总耗散功率Pd:0.25W(Ta = 25℃)
3000个/圆盘
总额¥0
近期成交93单