芯片简介
XL6008E1是一款宽输入范围(3.6V-32V)、电流模式的DC/DC转换器,支持升压、降压-升压和反压拓扑结构。内置N沟道功率MOSFET及固定频率振荡器,采用电流模式控制架构,具有92%的高转换效率。集成过压保护、热关断、软启动和电流限制功能,适用于汽车电子和便携设备。
芯片特点:
车规级
输入3.6V~32V
输出3A
内置MOS
400KHz
使能
软启动

XL6008E1是一款宽输入范围(3.6V-32V)、电流模式的DC/DC转换器,支持升压、降压-升压和反压拓扑结构。内置N沟道功率MOSFET及固定频率振荡器,采用电流模式控制架构,具有92%的高转换效率。集成过压保护、热关断、软启动和电流限制功能,适用于汽车电子和便携设备。
| 参考设计 | ||
| 规格书 |
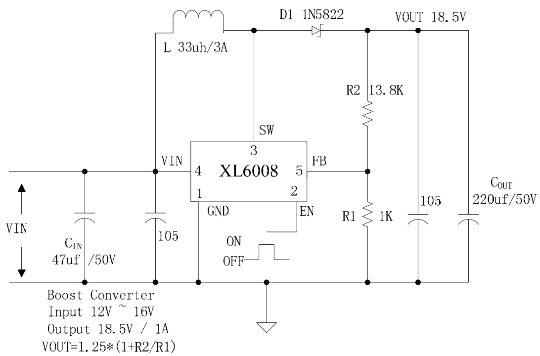
描述DCDC升降压,电源输入30V以上,1A~3A(中电流)方案,XL6008 是一款宽输入电压范围的电流模式 DC/DC 转换器,能够生成正负输出电压。它支持升压、反激、SEPIC 和反相拓扑结构。内置 N 通道功率 MOSFET 和固定频率振荡器,确保在广泛的输入和输出电压范围内稳定运行。
RoHSSMT扩展库
2500个/圆盘
总额¥0
近期成交100单+