芯片简介
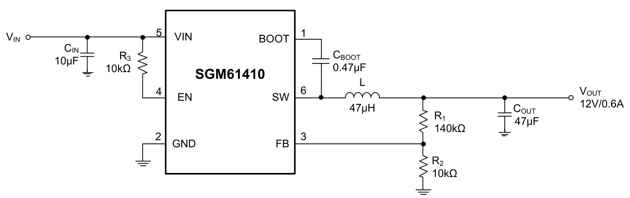
SGM61410是一款高频同步降压转换器,集成开关,输入电压范围5V至42V,适用于汽车和工业系统。具备低至14μA静态电流和0.6μA关断电流,峰值电流模式控制实现快速环路响应。1.2MHz开关频率减少EMI干扰,内部补偿和单调软启动简化设计。保护功能包括过流、短路、过压及热关断,效率高达95%(12V/400mA时)。支持可调输出电压(0.8V~20V),采用功率节省模式提升轻载效率。
芯片特点:
车规级
输入5V~42V
输出0.6A
内置MOS
1.2MHz
使能
软启动

SGM61410是一款高频同步降压转换器,集成开关,输入电压范围5V至42V,适用于汽车和工业系统。具备低至14μA静态电流和0.6μA关断电流,峰值电流模式控制实现快速环路响应。1.2MHz开关频率减少EMI干扰,内部补偿和单调软启动简化设计。保护功能包括过流、短路、过压及热关断,效率高达95%(12V/400mA时)。支持可调输出电压(0.8V~20V),采用功率节省模式提升轻载效率。
描述SGM61410是一款高频率同步降压转换器,具有集成开关。它可以在5V至42V的宽输入电压范围内提供高达600mA的输出电流。该器件适用于各种工业和汽车应用,具有低静态电流和超低关断电流。
3000个/圆盘
总额¥0
近期成交100单+