芯片简介
QX2304是一款高效率、低功耗的PFM同步升压DC/DC变换器,内置同步开关管及输出电压反馈/修正网络、启动电路、震荡电路、参考电压电路和PFM控制电路。特性包括最高95%效率、15uA低静态电流、0.9V-3.6V宽输入范围、±2.5%输出精度及低纹波设计,适用于手持电子设备。
芯片特点:
输入0.9V~3.6V
输出2.5V~3.6V
内置MOS
300KHz
使能


QX2304是一款高效率、低功耗的PFM同步升压DC/DC变换器,内置同步开关管及输出电压反馈/修正网络、启动电路、震荡电路、参考电压电路和PFM控制电路。特性包括最高95%效率、15uA低静态电流、0.9V-3.6V宽输入范围、±2.5%输出精度及低纹波设计,适用于手持电子设备。
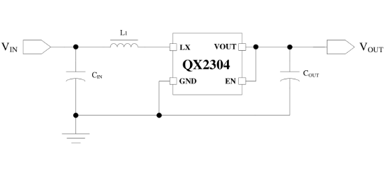
描述一款高效率、低功耗、低纹波、高工作频率的PFM同步升压DC/DC变换器。仅需要三个外围元件,就可将低输入电压升压到所需的工作电压。可通过内部修调电路(步进0.1V)来获得所需的输出电压。内置的同步开关管可使效率最高可达95%,工作于PFM模式,可有效降低轻载模式下的纹波。具有极低的静态电流,特别适合于手持电子设备应用。采用SOT23、SOT23-5、SOT89-3、TO92封装。
SMT扩展库
1000个/圆盘
总额¥0
近期成交1单