芯片简介
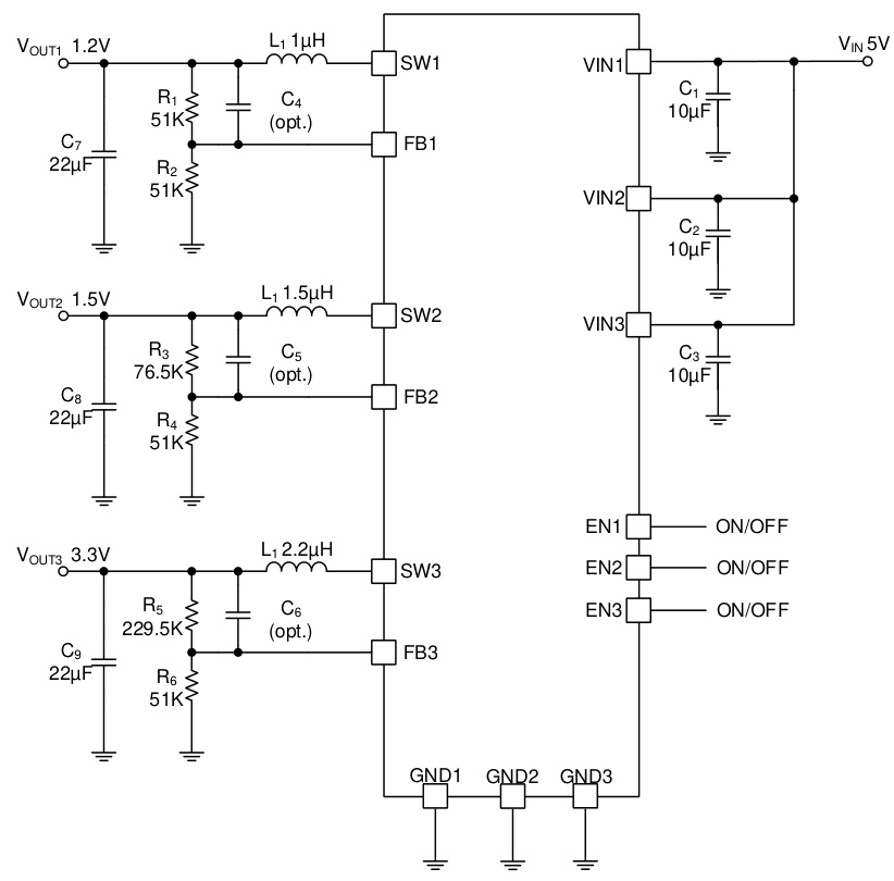
RY1303是一款3通道高效同步降压电源管理芯片,输入电压范围2.7V至5.5V,集成内部MOSFET和补偿架构,支持独立使能控制。特性包括1.2MHz固定开关频率、逐周期电流限制、短路保护、高达95%的转换效率及1ms软启动功能。内部结构包含三个同步降压调节器、控制电路及保护模块,适用于单锂离子电池或5V适配器供电场景。
芯片特点:
输入2.7V~5.5V
输出2A
内置MOS
1.2MHz
使能
软启动

RY1303是一款3通道高效同步降压电源管理芯片,输入电压范围2.7V至5.5V,集成内部MOSFET和补偿架构,支持独立使能控制。特性包括1.2MHz固定开关频率、逐周期电流限制、短路保护、高达95%的转换效率及1ms软启动功能。内部结构包含三个同步降压调节器、控制电路及保护模块,适用于单锂离子电池或5V适配器供电场景。
描述RY1303 是一款3通道电源管理IC,适用于由单个锂离子电池或5V直流适配器供电的应用。它集成了三个同步降压调节器,可在轻载和重载条件下提供高效率输出。内部补偿架构简化了应用电路设计,独立的使能控制使设计者能够优化电源时序。
RoHSSMT扩展库
3000个/圆盘
总额¥0
近期成交52单