芯片简介
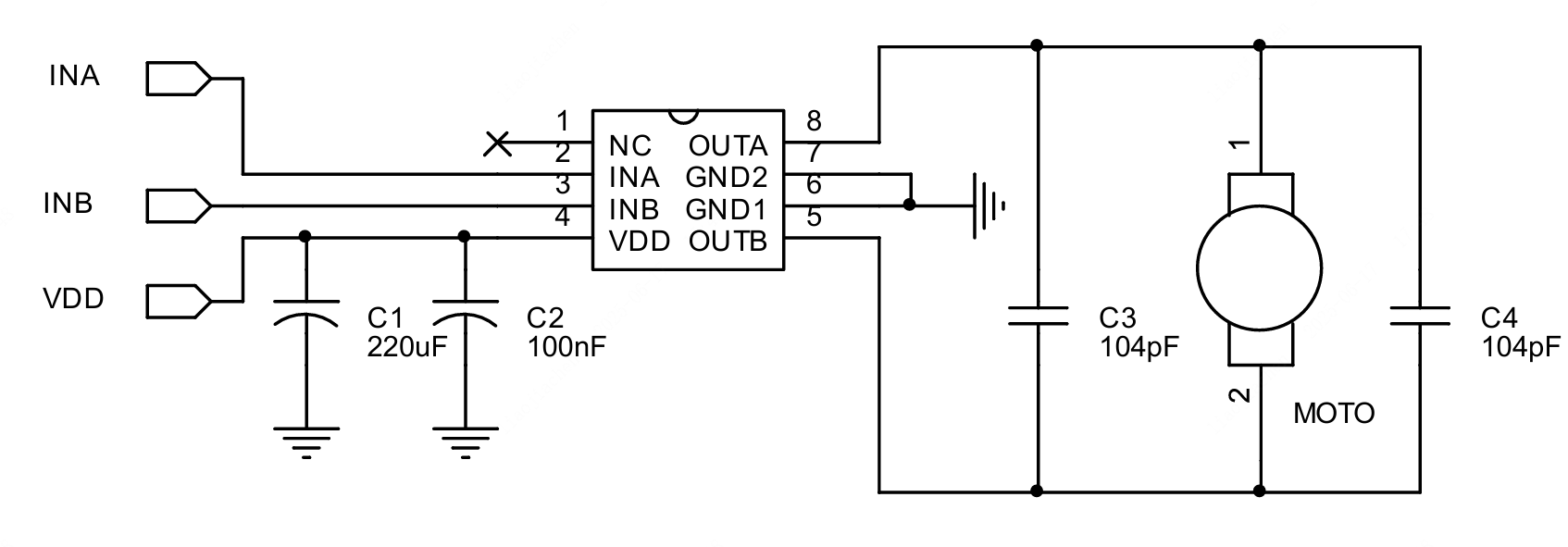
TC118S是一款单通道内置功率MOS全桥驱动器,最大连续输出电流1.8A,支持前进、后退、停止及刹车功能。集成低导通电阻功率MOS管,内置迟滞热效应过热保护,无需外围大滤波电容。通过INA和INB引脚实现四状态控制,采用逻辑电平输入控制方式。
芯片特点:
输入7.2V
输出1.8A
一个H桥
单通道
逻辑电平输入
方向控制
内置过热保护

TC118S是一款单通道内置功率MOS全桥驱动器,最大连续输出电流1.8A,支持前进、后退、停止及刹车功能。集成低导通电阻功率MOS管,内置迟滞热效应过热保护,无需外围大滤波电容。通过INA和INB引脚实现四状态控制,采用逻辑电平输入控制方式。
| 开源项目名称 | 开源项目介绍 |
|---|---|
| 天空星扩展板 | 兼容GD32F407VET6、STM32F407VGT6、HC32F4A0PITB系列天空星开发板。基于TC118S,最大输出1.8A电流,峰值可达2.5A。 |
描述单通道直流马达驱动器
SMT扩展库
4000个/圆盘
总额¥0
近期成交100单+