芯片简介
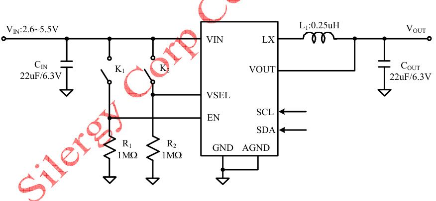
SYR827PKC是一款高效率同步降压DC/DC稳压芯片,输入电压范围2.6V至5.5V,支持I2C接口编程输出电压(0.7125V~1.5V)。集成低导通电阻的主开关和同步开关,具备6A连续输出能力。特性包括2.4MHz开关频率、65μA静态电流、内部软启动及X5R/X7R陶瓷电容兼容设计。
芯片特点:
输入2.6V~5.5V
输出6A
内置MOS
2.4MHz
使能
软启动
工业品
SYR827PKC是一款高效率同步降压DC/DC稳压芯片,输入电压范围2.6V至5.5V,支持I2C接口编程输出电压(0.7125V~1.5V)。集成低导通电阻的主开关和同步开关,具备6A连续输出能力。特性包括2.4MHz开关频率、65μA静态电流、内部软启动及X5R/X7R陶瓷电容兼容设计。
描述SYR827/SYR828是一款高效的2.4MHz同步降压DC/DC调节集成电路,能够提供高达6A的输出电流。它可在2.6V至5.5V的宽输入电压范围内工作,并集成了导通电阻(RDS(ON))极低的主开关和同步开关,以最大限度地降低传导损耗。输出电压可通过I²C接口在0.7125V至1.5V范围内进行编程设置
SMT扩展库
3000个/圆盘
总额¥0
近期成交20单