芯片简介
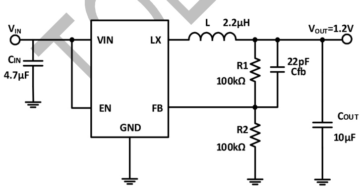
STI34061是一款高效电流模式PWM同步降压转换器,集成主开关和同步整流器,无需外部肖特基二极管。支持PFM轻载模式,提供0.6V至输入电压范围内的可调输出,具备短路保护、热故障保护、输入过压保护及软启动功能。采用斜率补偿电流模式控制,确保优异的线路和负载瞬态响应。
芯片特点:
输入2.5V~5.5V
输出1.0A
内置MOS
1.5MHz
使能
软启动

STI34061是一款高效电流模式PWM同步降压转换器,集成主开关和同步整流器,无需外部肖特基二极管。支持PFM轻载模式,提供0.6V至输入电压范围内的可调输出,具备短路保护、热故障保护、输入过压保护及软启动功能。采用斜率补偿电流模式控制,确保优异的线路和负载瞬态响应。
| 开源项目名称 | 开源项目介绍 |
|---|---|
| DC-DC降压芯片方案验证板-A版 | 该方案验证版,主要用于测试市面上常见的SOT-23封装的降压型DC/DC芯片,板子上目前集成了三种引脚排序。 |