芯片简介
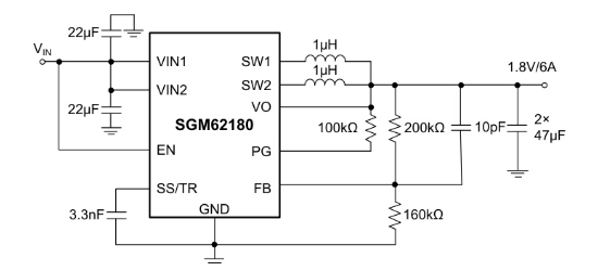
SGM62180XG/TR是一款两相同步降压DC/DC转换器,集成功率MOSFET,采用峰值电流模式控制。支持4.5V至16V宽输入电压范围,输出可调0.9V-6V,最大连续输出电流6A。具备自动效率最大化功能,通过动态调节开关频率优化全负载范围效率,轻载时自动激活节能模式(PSM)。特性包括相位移操作、平衡电流共享、30μA静态电流、可调软启动、电源良好信号、过流保护及热关断。适用于低剖面POL电源、多节锂离子电池系统及超便携设备。
芯片特点:
输入4.5V~16V
输出6A
内置MOS
1.75MHz
使能
软启动




