芯片简介
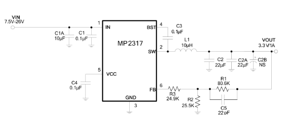
MP2317是一款高效率同步整流降压型开关转换器,内置功率MOSFET,支持1A连续输出电流,具有宽输入电压范围(7.5V至26V)。特性包括600kHz固定开关频率、内部节能模式、过流保护及热关断功能。其内部组成包含误差放大器、VCC稳压器、浮置驱动器和软启动电路,采用优化控制逻辑实现低EMI和轻载高效运行。
芯片特点:
输入7.5V~26V
输出1A
内置MOS
600kHz
使能
软启动

MP2317是一款高效率同步整流降压型开关转换器,内置功率MOSFET,支持1A连续输出电流,具有宽输入电压范围(7.5V至26V)。特性包括600kHz固定开关频率、内部节能模式、过流保护及热关断功能。其内部组成包含误差放大器、VCC稳压器、浮置驱动器和软启动电路,采用优化控制逻辑实现低EMI和轻载高效运行。
描述DCDC降压,电源输入7V~30V,1A以内(小电流)方案,MP2317是一款高效、同步整流的降压转换器,内置内部功率MOSFET,可在7.5V至26V的输入电压范围内工作,提供1A的连续输出电流。具有低Rds(on)的内部功率MOSFET,600kHz的固定开关频率,优化的EMI性能,过流保护和热关断功能。采用TSOT23-6封装。
RoHSSMT扩展库
3000个/圆盘
总额¥0
近期成交7单