芯片简介
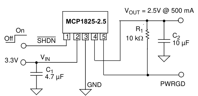
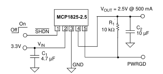
MCP1825/MCP1825S是一款500mA低静态电流LDO稳压器,输入电压范围2.1V至6.0V,提供固定或可调输出电压,采用陶瓷输出电容稳定运行。具有低噪声、低静态电流、短路保护和过热保护功能,支持SHDN使能控制,并集成电源良好指示。内部由误差放大器、基准电压源、功率晶体管及保护电路组成。
芯片特点:
输入6.0V
输出500mA
精度±2.5%
功耗:120μA
输出3.3V
使能

MCP1825/MCP1825S是一款500mA低静态电流LDO稳压器,输入电压范围2.1V至6.0V,提供固定或可调输出电压,采用陶瓷输出电容稳定运行。具有低噪声、低静态电流、短路保护和过热保护功能,支持SHDN使能控制,并集成电源良好指示。内部由误差放大器、基准电压源、功率晶体管及保护电路组成。
| 开源项目名称 | 开源项目介绍 |
|---|---|
| C2842719-LDO方案验证板(A版) | LDO验证板A版:3款SOT-23-3、3款SOT-89-3、2款SOT-23-5、2款SOT-23-6、2款SOT-223。 |
描述是一款500 mA低压差 (LDO) 线性稳压器,可提供高电流和低输出电压。有固定或可调输出电压版本,输出电压范围为0.8V至5.0V。500 mA输出电流能力与低输出电压能力相结合,使其成为具有高电流需求的新型低于1.8V输出电压LDO应用的理想选择。采用3引脚固定电压版本
RoHSSMT扩展库
78个/管
总额¥0
近期成交2单