芯片简介
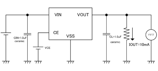
XC6219B332MR-G是一款高精度、低噪声的CMOSLDO稳压器,支持快速开启和低压差。内部集成基准电压源、误差放大器、驱动晶体管、限流器和相位补偿器,适用于移动设备供电。特性包括±2%输出电压精度、低静态电流、待机电流<0.1μA、高纹波抑制,兼容陶瓷电容器,提供稳定的负载瞬态响应。
芯片特点:
输入7V
输出240mA
精度±2%
功耗:25μA
输出3.3V
使能

XC6219B332MR-G是一款高精度、低噪声的CMOSLDO稳压器,支持快速开启和低压差。内部集成基准电压源、误差放大器、驱动晶体管、限流器和相位补偿器,适用于移动设备供电。特性包括±2%输出电压精度、低静态电流、待机电流<0.1μA、高纹波抑制,兼容陶瓷电容器,提供稳定的负载瞬态响应。
| 开源项目名称 | 开源项目介绍 |
|---|---|
| C2842719-LDO方案验证板(A版) | LDO验证板A版:3款SOT-23-3、3款SOT-89-3、2款SOT-23-5、2款SOT-23-6、2款SOT-223。 |
描述高速LDO稳压器 可用低ESR电容, 输出ON/OFF可控
RoHSSMT扩展库
3000个/圆盘
总额¥0
近期成交48单