芯片简介
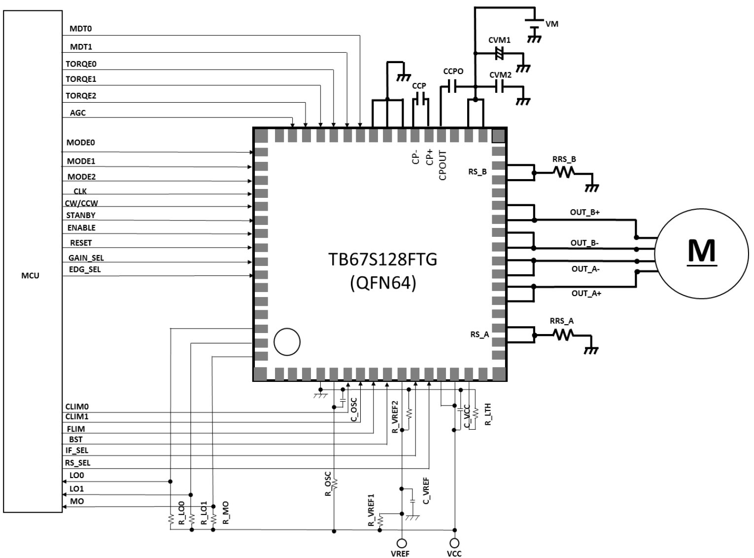
TB67S128FTG是一款两相双极步进电机驱动器,采用PWM斩波器和BiCD工艺,支持全步、半步、1/8步至1/128步操作。其特性包括低导通电阻MOSFET输出级、高效电机电流控制机制、抗失速架构、无感电阻电流检测系统、多错误检测功能及错误标志输出。内部组成包括PWM控制器、H桥驱动电路、电流检测模块和保护电路,内置VCC稳压器并支持通过外部电阻电容调节斩波频率。
芯片特点:
输入44V
输出5.0A
接口CLK/Serial
电流检测

TB67S128FTG是一款两相双极步进电机驱动器,采用PWM斩波器和BiCD工艺,支持全步、半步、1/8步至1/128步操作。其特性包括低导通电阻MOSFET输出级、高效电机电流控制机制、抗失速架构、无感电阻电流检测系统、多错误检测功能及错误标志输出。内部组成包括PWM控制器、H桥驱动电路、电流检测模块和保护电路,内置VCC稳压器并支持通过外部电阻电容调节斩波频率。
描述TB67S128FTG 是一款采用 PWM 斩波器的两相双极步进电机驱动器,内置时钟解码器。它采用 BiCD 工艺制造,输出额定值为 50 V/5。
RoHSSMT扩展库
4000个/圆盘
总额¥0
近期成交35单