芯片简介
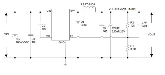
单片式降压DC/DC转换器IC,可驱动5A负载无需外接晶体管。集成MOSFET开关管,内置热关断和电流限制保护功能,支持ON/OFF逻辑电平控制关机模式。采用电压模式非同步PWM控制架构,具有±4%输出电压精度和180kHz固定开关频率,输入电压范围3.6V-40V支持输出电压1.25V-37V可调,包含内部补偿电路实现良好的线性和负载调整率。
芯片特点:
输入3.6V~40V
输出5A
内置MOS
180KHz
使能

单片式降压DC/DC转换器IC,可驱动5A负载无需外接晶体管。集成MOSFET开关管,内置热关断和电流限制保护功能,支持ON/OFF逻辑电平控制关机模式。采用电压模式非同步PWM控制架构,具有±4%输出电压精度和180kHz固定开关频率,输入电压范围3.6V-40V支持输出电压1.25V-37V可调,包含内部补偿电路实现良好的线性和负载调整率。
描述DL4015是一款单片集成电路,专为降压型DC/DC转换器设计,无需额外晶体管即可驱动5A负载,节省了电路板空间。外部关断功能可通过逻辑电平控制,使器件进入待机模式。内部补偿使反馈控制具有良好的线性和负载调节能力,无需进行外部设计
RoHS
800个/圆盘
总额¥0
近期成交35单