芯片简介
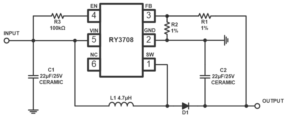
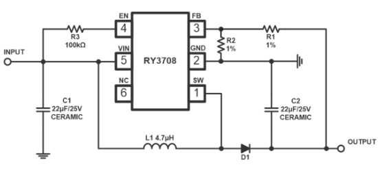
RY3708是一款恒定频率、电流模式升压转换器,适用于小功率应用。采用1.2MHz开关频率,支持内部软启动以减小浪涌电流。集成80mΩ功率MOSFET,提供欠压锁定、电流限制及热过载保护。输出电压可通过外部电阻调节,反馈基准电压为0.6V。
芯片特点:
输入2.5V~5.5V
输出2.5V~5.5V
内置MOS
1.2MHz
使能
软启动

RY3708是一款恒定频率、电流模式升压转换器,适用于小功率应用。采用1.2MHz开关频率,支持内部软启动以减小浪涌电流。集成80mΩ功率MOSFET,提供欠压锁定、电流限制及热过载保护。输出电压可通过外部电阻调节,反馈基准电压为0.6V。
描述RY3708是一款常频、电流模式升压转换器,适用于小型低功耗应用。它以1.2MHz的频率切换,允许使用高度不超过2mm的小型、低成本电容器和电感器。内部软启动功能可减少浪涌电流并延长电池寿命。RY3708包括欠压锁定、电流限制和热过载保护,以防止输出过载时损坏设备。该器件采用6引脚SOT-23封装。
RoHSSMT扩展库
3000个/圆盘
总额¥0
近期成交9单