芯片简介
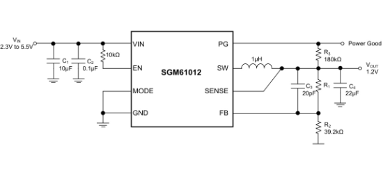
SGM61012XTDE8G/TR是一款高效高频同步降压转换器,输入电压范围2.3V至5.5V,支持1.2A输出电流。采用AHP-COT架构实现快速瞬态响应与精确电压调节,具备100%占空比能力以适应低输入电压场景。轻载时自动进入深度睡眠模式(DSM),典型静态电流8.5μA,提升电池应用续航。集成输出放电、短路保护及热关断功能,内部包含PWM控制器、功率MOSFET驱动电路和反馈环路补偿模块。
芯片特点:
输入2.3V~5.5V
输出1.2A
内置MOS
2MHz
使能
软启动
输出放电:输出放电
短路保护:短路保护
热关断:热关断



