芯片简介
TMC5240是一款高性能步进电机控制器和驱动器,集成256微步、36V/3.0A H桥和非耗散电流检测。支持SPI/UART通信,具备StealthChop2静音驱动技术、低阻抗FET及诊断保护功能。内部包含运动控制器、H桥驱动电路、电流检测模块和保护电路,适用于工业自动化、医疗设备等高精度场景。

TMC5240是一款高性能步进电机控制器和驱动器,集成256微步、36V/3.0A H桥和非耗散电流检测。支持SPI/UART通信,具备StealthChop2静音驱动技术、低阻抗FET及诊断保护功能。内部包含运动控制器、H桥驱动电路、电流检测模块和保护电路,适用于工业自动化、医疗设备等高精度场景。
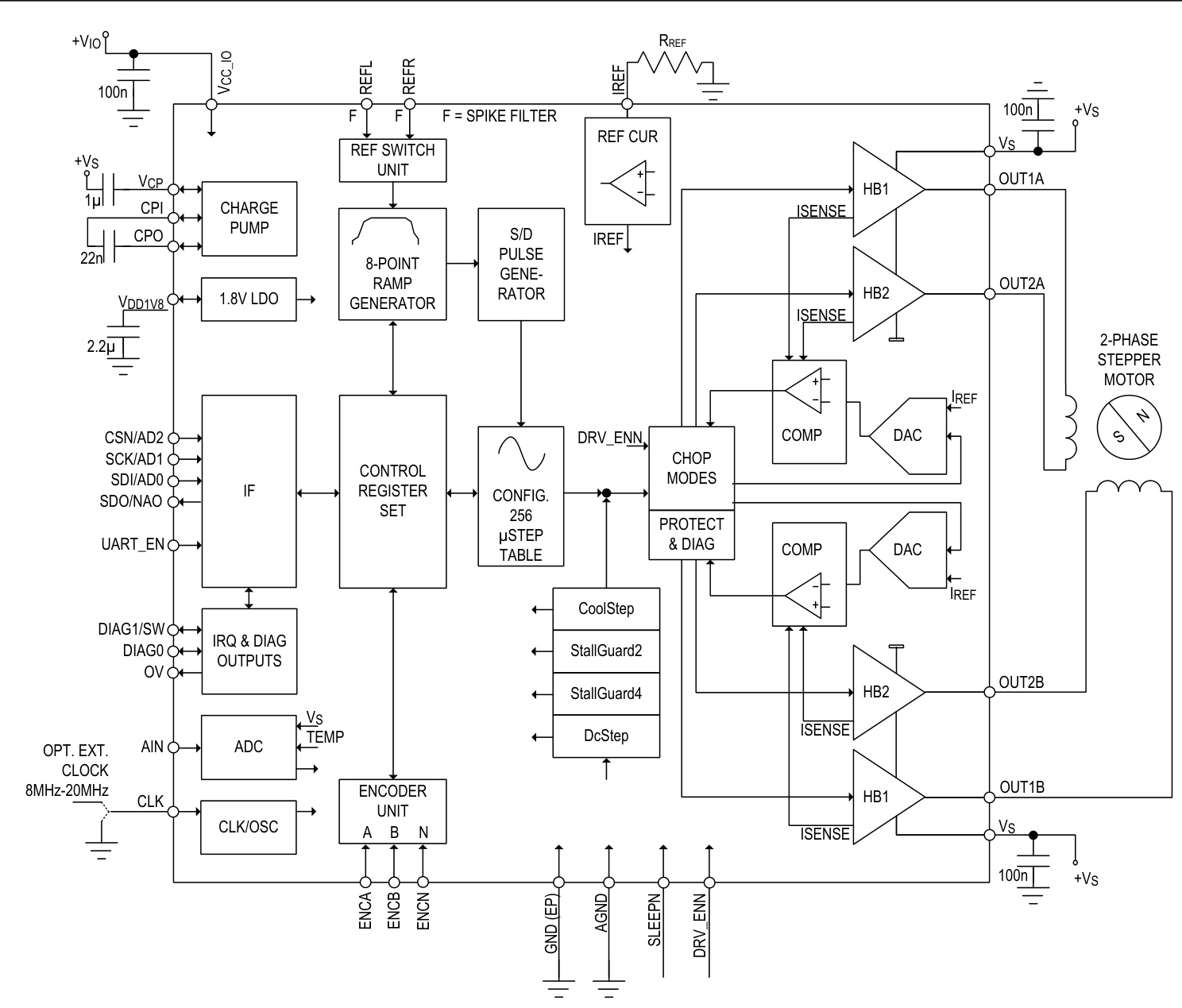
描述TMC5240是一款智能高性能步进电机控制器和驱动IC,具备串行通信接口(SPI、UART)和强大的诊断功能。它将用于自动目标定位的灵活、加加速度优化的斜坡发生器,与基于256细分、内置分度器和完全集成的36V、3.0A MAX H桥以及非耗散集成电流感应(ICS)的行业最先进步进电机驱动器相结合。 ADI-Trinamic先进的StealthChop2斩波器可确保在实现最高效率和最佳电机转矩的同时,实现绝对无噪音运行。 高度集成、高能效和小尺寸设计,使系统能够实现小型化和可扩展性,从而提供经济高效的解决方案。该完整解决方案将学习成本降至最低,同时提供一流的性能。 H桥场效应晶体管(FET)的阻抗极低,从而实现高驱动效率并将产生的热量降至最低。典型的总R o N(高端 + 低端)为0.23Ω。 假设使用四层PCB,每个H桥在室温下的最大RMS电流为I RMS = 2.1A RMS。 每个H桥的最大输出电流为I MAX = 5.0A MAX,受过流保护(OCP)限制。 由于该电流受散热因素限制,实际的最大RMS电流将取决于应用的散热特性(PCB接地层、散热器、通风等)。 每个H桥的最大满量程电流为1 FS = 3.0A,可通过连接到IREF的外部电阻进行设置。此电流定义为嵌入式电流驱动调节电路的最大电流设置。 非耗散ICS消除了笨重的外部功率电阻,与基于外部检测电阻的主流应用相比,可显著节省空间和功率,同时保持相同的整体精度。 TMC5240具备丰富的诊断和保护功能,如短路保护/OCP、热关断和欠压锁定(UVLO)。 在热关断和UVLO事件期间,驱动器将被禁用。 此外,TMC5240还提供测量驱动器温度、估算电机温度和测量一个外部模拟输入的功能。 TMC5240采用小型TQFN32 5mm x 5mm封装和具有散热优化的带裸露焊盘的TSSOP38 9.7mm x 4.4mm封装。
RoHSSMT扩展库
1000个/圆盘
总额¥0
近期成交65单