芯片简介
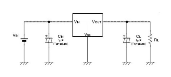
SSP6202系列是正电压输出三引脚稳压器,提供高电流输出并支持小输入/输出电压差,采用CMOS和激光微调技术实现低功耗和高精度。该芯片由高精度电压基准、误差放大电路和限流输出驱动器组成,改进了负载变化的瞬态响应。特性包括低压差、高输入电压、最大输出电流0.5A、低静态电流2.0μA、±2%输出电压精度及内置限流器。
芯片特点:
输入15V
输出0.5A
精度±2%
功耗:2.0μA
输出2.5V

SSP6202系列是正电压输出三引脚稳压器,提供高电流输出并支持小输入/输出电压差,采用CMOS和激光微调技术实现低功耗和高精度。该芯片由高精度电压基准、误差放大电路和限流输出驱动器组成,改进了负载变化的瞬态响应。特性包括低压差、高输入电压、最大输出电流0.5A、低静态电流2.0μA、±2%输出电压精度及内置限流器。
| 开源项目名称 | 开源项目介绍 |
|---|---|
| C2842719-LDO方案验证板(A版) | LDO验证板A版:3款SOT-23-3、3款SOT-89-3、2款SOT-23-5、2款SOT-23-6、2款SOT-223。 |
描述是一组正电压输出的三引脚稳压器,即使在输入/输出电压差较小时也能提供高电流。通过CMOS和激光微调技术实现了低功耗和高精度。由高精度电压基准、误差放大电路和限流输出驱动器组成。与现有系列相比,对负载变化的瞬态响应有所改善。提供SOT23-3封装。
SMT扩展库
3000个/圆盘
总额¥0
近期成交2单