芯片简介
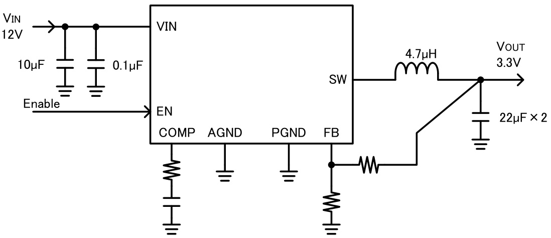
BD9C301FJ-LB是一款同步降压开关稳压器,内置低导通电阻功率MOSFET,支持4.5V至18V宽输入电压范围,最大输出电流3A。采用电流模式控制架构,具有高速瞬态响应特性,支持固定软启动功能。集成过流保护、热关断保护、欠压锁定保护和短路保护功能,提供EN引脚实现使能控制,支持相位补偿设置。
芯片特点:
输入4.5V~18V
输出3A
内置MOS管
500kHz
使能
软启动

BD9C301FJ-LB是一款同步降压开关稳压器,内置低导通电阻功率MOSFET,支持4.5V至18V宽输入电压范围,最大输出电流3A。采用电流模式控制架构,具有高速瞬态响应特性,支持固定软启动功能。集成过流保护、热关断保护、欠压锁定保护和短路保护功能,提供EN引脚实现使能控制,支持相位补偿设置。
描述BD9C301FJ-LB是一款宽输入电压范围(4.5V至18V)的同步降压DC/DC转换器,内置低导通电阻的MOSFET,最大输出电流可达3A。具有过流保护、热关断保护、欠压锁定保护和短路保护功能。
RoHSSMT扩展库
250个/圆盘
总额¥0