芯片简介
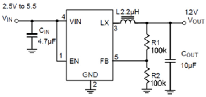
STI3410是一款高效率、高频同步降压DC-DC调节器,集成主开关和同步开关,采用超低导通电阻设计以降低损耗。支持2.3V至6V输入电压范围,可输出低至0.6V的电压,最大输出电流1.5A。提供PWM/PFM双模式控制以优化不同负载下的效率,具备短路保护、过热保护、输入过压保护及软启动功能。内部包含误差放大器、补偿电路及100%占空比低压差操作,适用于便携式设备电源管理。
芯片特点:
输入2.3V~6.0V
输出1.5A
内置MOS
1MHz
使能
软启动
工业品
STI3410是一款高效率、高频同步降压DC-DC调节器,集成主开关和同步开关,采用超低导通电阻设计以降低损耗。支持2.3V至6V输入电压范围,可输出低至0.6V的电压,最大输出电流1.5A。提供PWM/PFM双模式控制以优化不同负载下的效率,具备短路保护、过热保护、输入过压保护及软启动功能。内部包含误差放大器、补偿电路及100%占空比低压差操作,适用于便携式设备电源管理。
| 开源项目名称 | 开源项目介绍 |
|---|---|
| DC-DC降压芯片方案验证板-A版 | 该方案验证版,主要用于测试市面上常见的SOT-23封装的降压型DC/DC芯片,板子上目前集成了三种引脚排序。 |