芯片简介
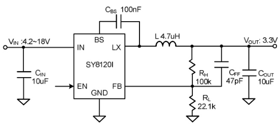
SY8120IABC是一款高效同步降压DC/DC转换器,输入电压范围4.2V-18V,输出电流2A,集成低RDS(ON)的主开关和同步开关。采用即时PWM架构实现快速瞬态响应,支持500kHz伪恒定频率,具有内部软启动、周期电流限制、短路保护及热关断功能。内部由控制电路、驱动电路和保护电路组成。
芯片特点:
输入4.2V~18V
输出2A
内置MOS
500kHz
使能
软启动

SY8120IABC是一款高效同步降压DC/DC转换器,输入电压范围4.2V-18V,输出电流2A,集成低RDS(ON)的主开关和同步开关。采用即时PWM架构实现快速瞬态响应,支持500kHz伪恒定频率,具有内部软启动、周期电流限制、短路保护及热关断功能。内部由控制电路、驱动电路和保护电路组成。
| 开源项目名称 | 开源项目介绍 |
|---|---|
| DC-DC降压芯片方案验证板-A版 | 该方案验证版,主要用于测试市面上常见的SOT-23封装的降压型DC/DC芯片,板子上目前集成了三种引脚排序。 |
描述SY81201是一款高效率、快速响应的2A负载电流同步降压DC/DC转换器,输入电压范围为4.2V至18V,集成了主开关和同步开关,具有低导通电阻。采用瞬时PWM架构,实现快速瞬态响应和轻载时的高效率。工作在伪恒定频率500kHz,以减小电感和电容的尺寸。具备内部软启动功能,限制浪涌电流。提供逐周期峰值/谷值电流限制和热关断保护。封装为SOT23-6。
SMT扩展库
3000个/圆盘
总额¥0
近期成交100单+