芯片简介
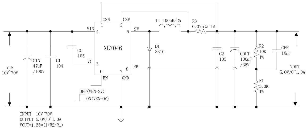
XL7046是100KHz固定频率PWM降压DC/DC转换器,可驱动1.0A负载,具有高效率、低纹波及优异的线性/负载调节特性。内置高压功率MOSFET,支持EN引脚关闭功能,包含电流限制和输出短路保护。采用控制电路、驱动电路和保护电路组成,系统需外接电感和二极管。
芯片特点:
输入8V~80V
输出0.5A~1.0A
内置MOS
100KHz
使能

XL7046是100KHz固定频率PWM降压DC/DC转换器,可驱动1.0A负载,具有高效率、低纹波及优异的线性/负载调节特性。内置高压功率MOSFET,支持EN引脚关闭功能,包含电流限制和输出短路保护。采用控制电路、驱动电路和保护电路组成,系统需外接电感和二极管。
描述DCDC降压,电源输入30V以上,1A以内(小电流)方案,XL7046是一款100KHz固定频率的PWM降压(Buck)DC/DC转换器,输入电压范围为8V到80V,最大输出电流为1.0A,输出电压可调范围为1.25V到20V。该器件具有高效率、低纹波和优良的线路及负载调节性能,内置高压MOSFET和电流限制功能,采用SOP8-EP封装。
RoHSSMT扩展库
4000个/圆盘
总额¥0
近期成交79单