芯片简介
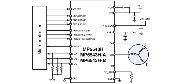
MP6543H系列是集成三相半桥驱动器的无刷直流电机控制器,包含六个N沟道功率MOSFET、预驱动器、电荷泵和电流检测放大器。支持2A连续输出电流,内置3.3V LDO稳压器,具有自动同步整流功能。MP6543H-B版本集成霍尔传感器接口,支持方向控制逻辑输入。保护机制包含过流保护、欠压锁定和热关断。
芯片特点:
最大输入22V
输出2A
工作电压3V~22V
驱动电流:2A
方波/PWM调制
集成霍尔传感器
方向控制
逻辑输入
模块

MP6543H系列是集成三相半桥驱动器的无刷直流电机控制器,包含六个N沟道功率MOSFET、预驱动器、电荷泵和电流检测放大器。支持2A连续输出电流,内置3.3V LDO稳压器,具有自动同步整流功能。MP6543H-B版本集成霍尔传感器接口,支持方向控制逻辑输入。保护机制包含过流保护、欠压锁定和热关断。
描述MP6543H 系列产品(MP6543H、MP6543H - A 和 MP6543H - B)是三相无刷直流电机驱动器。它们集成了三个半桥,由六个 N 沟道功率 MOSFET 组成,以及预驱动器、栅极驱动电源和电流检测放大器。MP6543H 每个半桥都有使能(EN)和 PWM 输入。MP6543H - A 有独立的高端(HS)和低端(LS)输入,而 MP6543H - B 有霍尔效应传感器输入。除此之外,这三款器件相似。MP6543H 可提供高达 2A 的连续电流(取决于散热和 PCB 条件),并具有可调的过流保护(OCP)阈值。它使用内部电荷泵为高端 MOSFET 生成栅极驱动电源电压,并使用涓流充电电路来维持足够的栅极驱动电压,以实现 100% 占空比运行。内部安全特性包括热关断、欠压锁定(UVLO)和过流保护(OCP)。MP6543H 采用带有外露散热焊盘的 QFN - 24(3mmx4mm)封装。
RoHSSMT扩展库
5000个/圆盘
总额¥0
近期成交28单