芯片简介
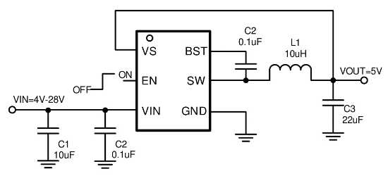
SCT2330TVBR是3.8V-32V输入的3A同步降压转换器,集成80mΩ高边和42mΩ低边MOSFET。采用峰值电流模式控制与集成补偿网络,支持频率扩展频谱(±6%)及脉冲跳跃模式(PSM),轻载静态电流20μA。具备4ms软启动、输出过压保护、热关断保护功能,优化EMI设计实现无振铃开关节点。
芯片特点:
输入3.8V~32V
输出3A
内置MOS
400kHz
使能
软启动

SCT2330TVBR是3.8V-32V输入的3A同步降压转换器,集成80mΩ高边和42mΩ低边MOSFET。采用峰值电流模式控制与集成补偿网络,支持频率扩展频谱(±6%)及脉冲跳跃模式(PSM),轻载静态电流20μA。具备4ms软启动、输出过压保护、热关断保护功能,优化EMI设计实现无振铃开关节点。
| 开源项目名称 | 开源项目介绍 |
|---|---|
| DC-DC降压芯片方案验证板-B版 | 用于验证SCT2339和TPS6226两款DC-DC芯片,也可验证与其引脚兼容的其他型号芯片。 |
描述SCT2330是一款3A同步降压DC-DC转换器,支持3.8V至32V的宽输入电压范围,采用峰值电流模式控制,内置80mΩ高侧MOSFET和42mΩ低侧MOSFET,具备EMI降低功能,支持脉冲跳跃模式(PSM)和频率扩展谱(FSS),具有低静态电流和多种保护功能。
RoHSSMT扩展库
3000个/圆盘
总额¥0
近期成交54单