芯片简介
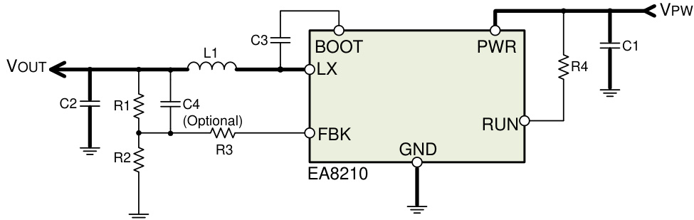
EA8210T6R是一款21V输入的同步降压转换器,支持4.5V至21V输入范围,内置低RDS(ON)功率MOSFET,效率高达96%。该芯片包含过流保护、短路保护、过温保护和欠压锁定功能,采用内部补偿设计简化外部元件配置。其功能框架由控制电路、驱动电路及保护电路组成,适用于2A输出电流应用,并在轻载条件下仍保持80%效率。
芯片特点:
输入4.5V~21V
输出2A
内置MOS
500KHz
使能

EA8210T6R是一款21V输入的同步降压转换器,支持4.5V至21V输入范围,内置低RDS(ON)功率MOSFET,效率高达96%。该芯片包含过流保护、短路保护、过温保护和欠压锁定功能,采用内部补偿设计简化外部元件配置。其功能框架由控制电路、驱动电路及保护电路组成,适用于2A输出电流应用,并在轻载条件下仍保持80%效率。
| 开源项目名称 | 开源项目介绍 |
|---|---|
| DC-DC降压芯片方案验证板-A版 | 该方案验证版,主要用于测试市面上常见的SOT-23封装的降压型DC/DC芯片,板子上目前集成了三种引脚排序。 |
描述EA8210是一款2A降压调节器,设计用于4.5V到21V的输入电压范围。内置低Rds(on)高/低侧功率MOSFET,最高效率可达96%,适用于2A连续负载电流应用。具有内部补偿设计,逐周期电流限制,自动恢复hiccup模式短路保护等功能。采用SOT23-6封装。
RoHSSMT扩展库
3000个/圆盘
总额¥0
近期成交2单