芯片简介
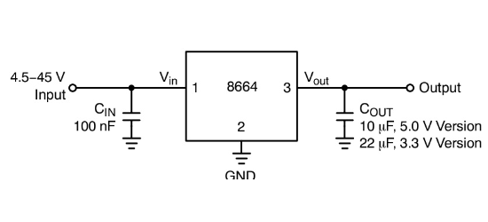
NCV8664是一款精密3.3V/5.0V固定输出的低压差线性稳压器,输出电流能力150mA,典型静态电流22μA。采用PNP传输晶体管和带隙基准误差放大器结构,集成反向电压保护、短路/过流保护和热关断功能。支持4.5V至45V宽输入电压范围,符合AEC-Q100车规认证,输出精度±2.0%,最大压降600mV。
芯片特点:
车规级
输入45V
输出150mA
精度±2.0%
输出5.0V

NCV8664是一款精密3.3V/5.0V固定输出的低压差线性稳压器,输出电流能力150mA,典型静态电流22μA。采用PNP传输晶体管和带隙基准误差放大器结构,集成反向电压保护、短路/过流保护和热关断功能。支持4.5V至45V宽输入电压范围,符合AEC-Q100车规认证,输出精度±2.0%,最大压降600mV。
| 开源项目名称 | 开源项目介绍 |
|---|---|
| C2842719-LDO方案验证板(A版) | LDO验证板A版:3款SOT-23-3、3款SOT-89-3、2款SOT-23-5、2款SOT-23-6、2款SOT-223。 |
描述NCV8664 是一款经过精密微调的 3.3 V 和 5.0 V 固定输出稳压器。通过精心管理轻载功耗,并结合低漏电工艺,其典型静态电流仅为 22 μA。
RoHSSMT扩展库
4000个/圆盘
总额¥0
近期成交1单