芯片简介
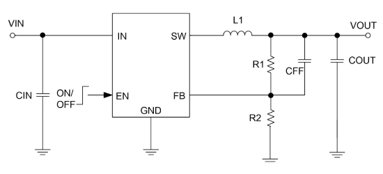
MD3102是一款单片高效同步降压稳压器,采用恒频电流模式结构,输入电压范围2.5V至5.5V,支持0.6V可调输出电压。集成高压功率MOSFET,开关频率1.5MHz,具备过温保护、短路保护、过电流限制及过压保护功能。内置软启动机制,轻载时采用PFM模式以提高效率,静态电流低至40μA。核心功能模块包括误差放大器、欠压锁定(UVLO)、热关断和内部补偿网络,适用于单锂离子电池供电场景。
芯片特点:
输入2.5V~5.5V
输出0A~1.2A
内置MOS
1.5MHz
使能
软启动

MD3102是一款单片高效同步降压稳压器,采用恒频电流模式结构,输入电压范围2.5V至5.5V,支持0.6V可调输出电压。集成高压功率MOSFET,开关频率1.5MHz,具备过温保护、短路保护、过电流限制及过压保护功能。内置软启动机制,轻载时采用PFM模式以提高效率,静态电流低至40μA。核心功能模块包括误差放大器、欠压锁定(UVLO)、热关断和内部补偿网络,适用于单锂离子电池供电场景。