芯片简介
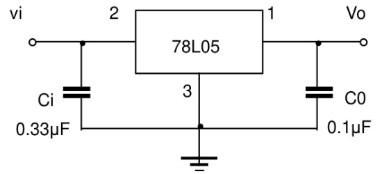
78L05是一款三端正电压稳压器,提供稳定的5V输出电压,最大输出电流0.1A。具有低噪声特性,输入电压范围支持7V至20V,典型输出噪声电压42uV,纹波抑制能力49dB。推荐使用旁路电容以优化稳定性和瞬态响应。
芯片特点:
输入30V
输出0.1A
精度±4%
功耗:0.35W
输出5V

78L05是一款三端正电压稳压器,提供稳定的5V输出电压,最大输出电流0.1A。具有低噪声特性,输入电压范围支持7V至20V,典型输出噪声电压42uV,纹波抑制能力49dB。推荐使用旁路电容以优化稳定性和瞬态响应。
| 开源项目名称 | 开源项目介绍 |
|---|---|
| C2842719-LDO方案验证板(A版) | LDO验证板A版:3款SOT-23-3、3款SOT-89-3、2款SOT-23-5、2款SOT-23-6、2款SOT-223。 |
描述特性:最大输出电流 Io:0.1A。 输出电压 Vo:5V。 连续总功耗 Pd:0.35W(Ta = 25℃)
SMT扩展库
3000个/圆盘
总额¥0
近期成交15单