我的订单购物车(0)联系客服帮助中心供应商合作嘉立创产业服务群
领券中心备货找料立推专区爆款推荐合作库存PLUS会员BOM配单PCB/FPC/SMT工业品面板定制

TECH PUBLIC(台舟)+A4950ELJTR-T-TP

(有刷电机/继电器驱动-(3)25V~48V供电-(2)2A~4A方案)
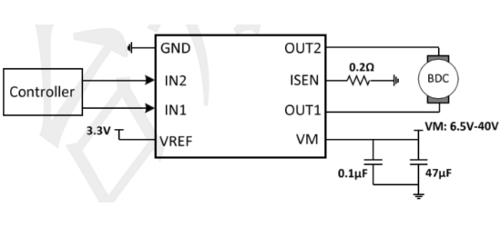
TECH PUBLIC(台舟)的A4950ELJTR-T-TP系统框图
点击预览

芯片简介

A4950ELJTR-T-TP

芯片特点:

A4950ELJTR-T-TP

项目参考文件

方案关联商品

没有找到商品
抱歉,没有找到相关的商品