芯片简介
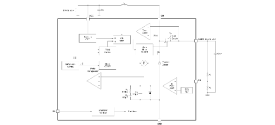
SGM6603A是恒定频率电流模式同步升压开关稳压器,支持0.9V至5.5V输入电压范围,输出电压可调至5.5V。集成功率MOSFET和内部补偿电路,采用强制PWM模式保持全负载范围内恒定开关频率,具备抗振铃控制降低EMI,支持真输出断开功能。典型应用包含高效率转换、最小化电感电容尺寸的紧凑解决方案。
芯片特点:
输入0.9V~5.5V
输出可调至5.5V
内置MOS
1200kHz
使能


SGM6603A是恒定频率电流模式同步升压开关稳压器,支持0.9V至5.5V输入电压范围,输出电压可调至5.5V。集成功率MOSFET和内部补偿电路,采用强制PWM模式保持全负载范围内恒定开关频率,具备抗振铃控制降低EMI,支持真输出断开功能。典型应用包含高效率转换、最小化电感电容尺寸的紧凑解决方案。
描述SGM6603A是一款高效的同步升压转换器,输入电压范围为0.9V至5.5V,输出电压可调至最高5.5V,最大输出电流为1.1A。具有高效率、低关断电流和过温保护功能。
SMT扩展库
3000个/圆盘
总额¥0
描述SGM6603是一款固定频率、电流模式的同步升压开关稳压器。在使用单节碱性电池时,其输出电流最高可达75mA,并可将电池放电至0.9V。它也可用于从3.3V电源轨或锂离子电池生成400mA、5V的输出
SMT扩展库
3000个/圆盘
总额¥0
近期成交7单
描述SGM6603是一款固定频率、电流模式的同步升压开关稳压器。在使用单节碱性电池时,其输出电流最高可达75mA,并可将电池放电至0.9V。它也可用于从3.3V电源轨或锂离子电池生成400mA、5V的输出
SMT扩展库
3000个/圆盘
总额¥0
近期成交38单