芯片简介
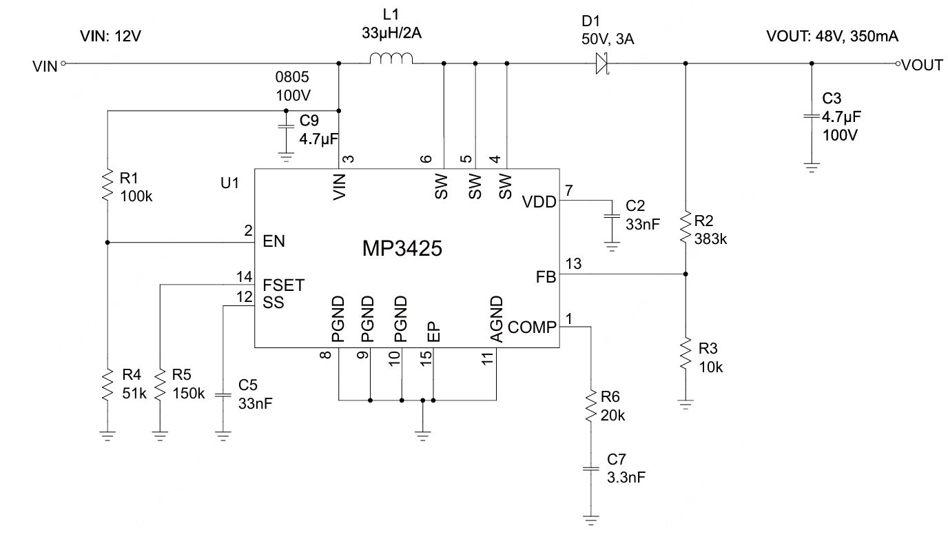
MP3425是一款电流模式升压转换器,内置3.5A、90mΩ功率MOSFET,输入电压范围3.1V-22V,可编程频率最高达2MHz,支持输出电压高达55V。特性包括宽输入范围、可调软启动、欠压锁定(UVLO)、热关断保护,并采用外部补偿设计以优化环路动态性能。内部结构包含误差放大器、PWM比较器、电流检测模块及驱动电路,适用于电信电源、音频偏置和汽车应用。
芯片特点:
车规级
内置MOS
300kHz~2MHz
使能
软启动
工业品
MP3425是一款电流模式升压转换器,内置3.5A、90mΩ功率MOSFET,输入电压范围3.1V-22V,可编程频率最高达2MHz,支持输出电压高达55V。特性包括宽输入范围、可调软启动、欠压锁定(UVLO)、热关断保护,并采用外部补偿设计以优化环路动态性能。内部结构包含误差放大器、PWM比较器、电流检测模块及驱动电路,适用于电信电源、音频偏置和汽车应用。
描述MP3425是一款3.5A、90mΩ、55V的升压转换器,具有内部开关和可编程开关频率。它支持宽输入电压范围(3.1V至22V),输出电压最高可达55V,开关频率范围为300kHz至2MHz。该器件还具有外部补偿引脚、软启动功能、欠压锁定和热关断保护。
RoHSSMT扩展库
5000个/圆盘
总额¥0
近期成交14单