芯片简介
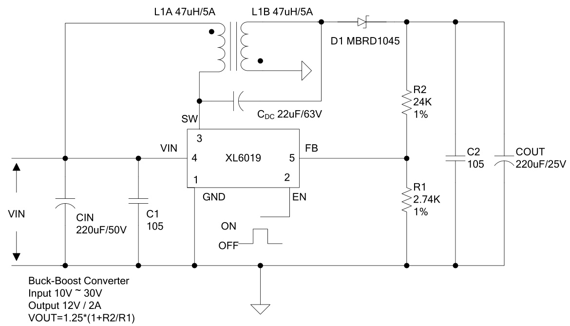
XL6019E1是一款单片集成升降压DC-DC转换芯片,支持5V至40V宽输入电压,内置功率MOS管和固定频率振荡器。采用电流模式控制,提供最大5A开关电流、软启动、热关断及过压保护功能,转换效率超94%。支持0-90%占空比调节和EN使能控制,适用于低纹波、高可靠性的电源设计。
芯片特点:
输入5V~40V
内置MOS
144KHz~253KHz
使能
软启动
负压

XL6019E1是一款单片集成升降压DC-DC转换芯片,支持5V至40V宽输入电压,内置功率MOS管和固定频率振荡器。采用电流模式控制,提供最大5A开关电流、软启动、热关断及过压保护功能,转换效率超94%。支持0-90%占空比调节和EN使能控制,适用于低纹波、高可靠性的电源设计。
| 参考设计 | ||
| 规格书 |
描述DCDC升降压,电源输入30V以上,3A以上(大电流)方案,XL6019是一款专为升压、升降压设计的单片集成电路,可工作在5V到40V输入电压范围,低纹波,内置功率MOS。内置固定频率振荡器与频率补偿电路,简化了电路设计。最大5A开关电流,固定180KHz开关频率,内置过压保护、过电流保护、TTL关断功能、热关断功能、软启动功能和限流功能。
RoHSSMT扩展库
800个/圆盘
总额¥0
近期成交100单+