芯片简介
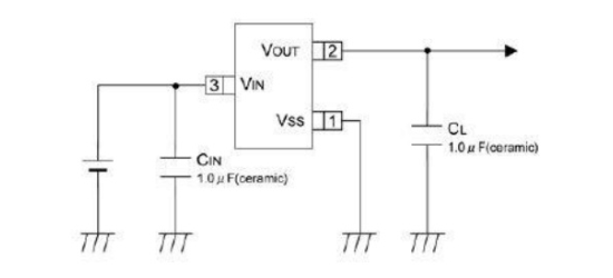
HX6306系列是高精度、低功耗的三端正电压稳压器,采用CMOS和激光微调技术,提供大电流和低压降。内部由电流限制电路、驱动晶体管、精密参考电压和误差校正电路组成,支持低ESR陶瓷电容,具备短路保护和输出电流限制功能。输出电压通过激光微调可在1.2V至5.0V范围内以0.1V步进选择,适用于电池供电设备、移动电话、便携式游戏机等场景,具有±2%输出电压精度、3μA静态电流及低噪声特性。
芯片特点:
输入10V
输出0.3A
精度±2%
输出5.0V

HX6306系列是高精度、低功耗的三端正电压稳压器,采用CMOS和激光微调技术,提供大电流和低压降。内部由电流限制电路、驱动晶体管、精密参考电压和误差校正电路组成,支持低ESR陶瓷电容,具备短路保护和输出电流限制功能。输出电压通过激光微调可在1.2V至5.0V范围内以0.1V步进选择,适用于电池供电设备、移动电话、便携式游戏机等场景,具有±2%输出电压精度、3μA静态电流及低噪声特性。
| 开源项目名称 | 开源项目介绍 |
|---|---|
| C2842719-LDO方案验证板(A版) | LDO验证板A版:3款SOT-23-3、3款SOT-89-3、2款SOT-23-5、2款SOT-23-6、2款SOT-223。 |
描述HX6306系列是采用CMOS和激光微调技术制造的高精度、低功耗三端正电压稳压器。该系列能以极低的压差提供大电流。HX6306由限流电路、驱动晶体管、精密参考电压源和误差校正电路组成
RoHSSMT扩展库
3000个/圆盘
总额¥0
近期成交1单